■ SGH280-10- S中空旋转平台特性
中空旋转平台一种全新的旋转负载装置,它集高传动效率,高精度,高刚性,高性价比于一身。综合了伺服马达,凸轮分割器及直驱马达的优势。使用高精度齿轮结构和径向轴承,提高了扭矩的刚性,承载更稳重,搭配伺服电机或者步进电机可做任意角度分割,即可满足分割器无法实现的位数控制,定位精度有可媲美直驱电机,可在短时间内实现惯性负载的定位。
	● 通过直接连接可提高可靠性,降低成本可直接工作台及机械手臂安装在旋转平台上
 ● 可自由选配各品牌步进电机或伺服电机
 ●无齿隙高精度定位
 ● 定位精度±60arcsec,重复定位精度±10arcsec
● 大口径中空结构
■ SGH280-10- S中空旋转平台性能参数
| 
				 
				 性能参数  | 
			
				 
				 单位  | 
			
				 
				 SGH280-10- S  | 
		
| 
				 
				 马达种类  | 
			
				 
				 
  | 
			
				 
				 配1000W伺服  | 
		
| 
				 
				 旋转平台轴承  | 
			
				 
				 
  | 
			
				 
				 交叉滚子轴承  | 
		
| 
				 
				 容许转矩  | 
			
				 
				 N.m  | 
			
				 
				 86.7  | 
		
| 
				 
				 容许转速  | 
			
				 
				 rpm  | 
			
				 
				 250(盘面)  | 
		
| 
				 
				 减速比  | 
			
				 
				 i  | 
			
				 
				 10  | 
		
| 
				 
				 容许轴向负载  | 
			
				 
				 N  | 
			
				 
				 4840  | 
		
| 
				 
				 容许惯性力矩负荷  | 
			
				 
				 N.m  | 
			
				 
				 178  | 
		
| 
				 
				 定位精度  | 
			
				 
				 arcsec  | 
			
				 
				 ±60  | 
		
| 
				 
				 重复定位精度  | 
			
				 
				 arcsec  | 
			
				 
				 ±10  | 
		
| 
				 
				 旋转平台平行度  | 
			
				 
				 mm  | 
			
				 
				 ±0.005  | 
		
| 
				 
				 旋转平台同轴度  | 
			
				 
				 mm  | 
			
				 
				 ±0.007  | 
		
| 
				 
				 防护等级  | 
			
				 
				 IP  | 
			
				 
				 65  | 
		
| 
				 
				 精度寿命  | 
			
				 
				 h  | 
			
				 
				 20000  | 
		
| 
				 
				 质量  | 
			
				 
				 kg  | 
			
				 
				 21  | 
		
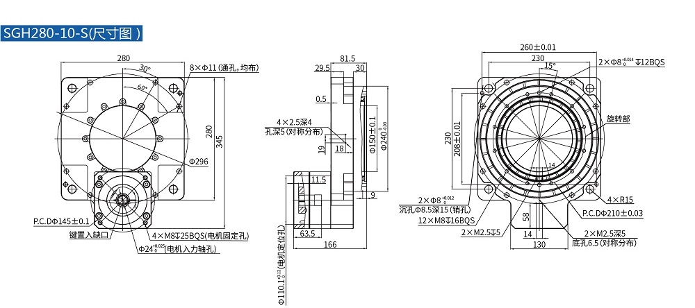
■ SGH280-10- S中空旋转平台尺寸图
	
			
			


